Охранный прибор Link LTE предназначен для приема сообщений от объектовых приборов сторонних производителей и передачи их в Центр Охраны. Представляет собой эволюцию приборов Союз GSM и ТР-100 GSM IV — обладает всеми их преимуществами, но более универсален и компактен.

Корпус и питание
Прибор в собственном корпусе, а значит, может устанавливаться снаружи подключаемого прибора. При этом размер корпуса достаточно мал, чтобы при необходимости установить его внутри корпуса стороннего прибора.
Link LTE питается от источника питания подключаемого прибора (10−14 В), собственного источника питания нет. Низкое энергопотребление не нагружает источник питания прибора.

Размер Link LTE в сравнении с обычной банковской картой
Подключение сторонних приборов
Телефонная линия. По телефонной линии подключаются Болид, Рубеж, Pima, DSC, Pyronix или любой прибор, использующий протокол Contact ID.
Предпочтительный способ подключения с максимальной совместимостью и высокой информативностью.
Два входа/выхода. Ко входам/выходам можно подключать:
- выходы сторонних приборов, включая выходы ПЦН популярных пожарных приборов;
- проводные КТС;
- беспроводные КТС.
Использование входов — универсальный способ подключения стороннего оборудования, но он позволяет передавать только обобщенные сигналы (Тревога, Пожар, Неисправность).
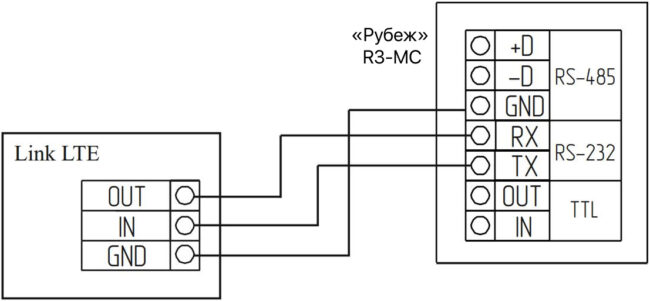
Последовательный порт. По последовательному порту подключаются Рубеж, Стрелец, Альтоника. Подключение Болид поддерживается только для приборов С2000-ПП с прошивкой 1.29.
Подключение приборов Стрелец Про по последовательному порту не поддерживается.

Управление
MyAlarm и Центр Охраны. К выходам Link LTE подключаются входы сторонних приборов — это позволяет организовать управление из Центра Охраны или брать/снимать прибор с охраны из приложения MyAlarm.
Реле. К выходам подключаются реле для управления внешними устройствами: вы можете открывать ворота, опускать рольставни, выключать свет.
Каналы связи
Встроенный 2G/LTE-модем позволяет не бояться отключения 2G или отсутствия 3G-связи на объекте.
Две SIM-карты, чтобы не зависеть от конкретного оператора связи. При проблемах со связью на основной SIM-карте Link LTE автоматически перейдет на резервную.
Встроенный Ethernet. Высокоскоростной и бесплатный канал связи. Позволяет ориентироваться на GSM как на резервный канал.

Подключение Ethernet и GSM
Основной канал связи — всегда Ethernet. Адаптер Ethernet интегрирован на плату прибора, а канал Ethernet всегда считается основным каналом связи. Переключаться на SIM-карты прибор будет только при потере связи по Ethernet. При работе только по GSM/LTE каналам основной будет SIM1 (та, что ближе к плате), а SIM2 — резервной. При включении прибора инициализация SIM-карт занимает чуть больше времени из-за того, что прибор сначала пытается установить связь по Ethernet, а затем переходит на SIM-карту.
При работе по GSM отключите «переход на основной канал связи».
Если на объекте не подключен Ethernet, установите параметр «Интервал перехода на основной канал связи» в значение «не переходить».
Интервал перехода на основной канал связи задается в конфигураторе Хаббл на вкладке «Разное» в блоке «Интервалы».

Эргономика
Крышка корпуса открывается и закрывается одним движением и держится на жестких защёлках без дополнительного крепления.
Для облегчения монтажа провода к клеммам подводятся снаружи корпуса. Схема подключения проводов нанесена на саму плату.
Разъем SMA для выносной антенна находится снаружи корпуса, но при закрытой крышке он визуально скрыт. Выносная LTE-антенна — в комплекте.

Технические характеристики
| Параметр |
Значение |
| Диапазон допустимых напряжений постоянного тока для электропитания изделия |
10,0 ÷ 14,4 В |
| Максимальное значение тока, потребляемого изделием |
500 мА |
| Номинальный ток, потребляемый от источника электропитания напряжением 12 В |
Не более 100 мА |
| Число контролируемых проводных зон |
2 |
| Поддержка мобильной связи |
стандарт GSM/LTE, поколение 2G, 4G |
| Тип разъема для подключения внешней LTE-антенны |
SMA |
| Диапазон допустимых температур эксплуатации изделия |
−30…+50 °С |
| Габаритные размеры, не более |
118×65×29 мм |
| Масса без GSM-антенны |
не более 0,1 кг |

Монтажная схема Link LTE
Подключение стороннего оборудования к Link LTE